NTW系列有10种张力范围从2.0-200cN 到1.0-100.0daN



型号NTW 系列的新特点
1. 应用特殊的传感器技术,实现任意测量位置自动清零,提高测量精度和效率。
2. 三种显示方式
- 数字显示
- 趋势变化状态条+数字显示
- 曲线图+数字显示



3.线径补偿器补偿材料线径不同于标定材料时产生的误差。
4.易于捕捉被测材料的导线架和导向轮运动结构
5.屏幕显示可以90°间隔旋转,易于不同方向观察测量结果。也可以固定方向显示。
6.可标定最多10种材料,对特殊材料测量更精确。
6.LIPO锂离子聚合物电池(可持续运行约10小时)。
7.被测材料,导向轮,屏幕位于同一平面,测试中测试数据,导向轮和被测材料状态尽收眼底。
8.配备中文操作系统和英文操作系统。
9.根据不同量程和需要,测量值显示单位可选择g ,kg, c N,N ,daN, lb
10.3种记忆模式
-A模式:以2HZ速率记录测量值,可计算出记录过程的最大值,最小值,平均值,标准偏差,并可以用曲线图方式展示记录数据。
-B模式:记录测试过程中最后100个数据,并计算出记录过程的最大值,最小值,平均值,标准偏差,和最后值。并可以用曲线图方式展示记录数据。
-C模式: 以100HZ速率记录测量值,可计算出记录过程的最大值,最小值,平均值,标准偏差,并可以用曲线图方式展示记录数据。
13.提供显示结果微调功能,现场测量的材料和标准的标定材料有轻微偏差,不需要重新标定,即可显示准确值。
14.功能设置可以通过密码进行保护,提高设置安全性。
型号NTW
| 型号 | 张力范围 | 测量头宽度 | 测量导辊宽度 | 是否包含线径补偿 |
NTW-200 | 2.0-200.0 cN | 65mm | 7,10,15,20,30,40,50mm | 否 |
| NTW-500 | 5.0-500.0 cN | 65mm | 7,10,15,20,30,40,50mm | 否 |
| NTW-1000 | 10-1000 cN | 65mm | 7,10,15,20,30,40,50mm | 否 |
| NTW-2000 | 20-2000 cN | 116mm | 7,10,15,20,30,40,50mm | 否 |
| NTW-2500 | 25-2500 cN | 116mm | 7,10,15,20,30,40,50mm | 否 |
| NTW-5000 | 50-5000 cN | 116mm | 7,10,15,20,30,40,50mm | 否 |
| NTW-10K | 0.1-10.0daN | 116mm | 7,10,15,20,30, mm | 否 |
| NTW-20K-F | 0.2-20.0daN | 216mm | 7,10,15,20, 30mm | 否 |
| NTW-30K-F | 0.3-30.0daN | 216mm | 7,10,15,20, 30mm | 否 |
| NTW-50K-F | 0.5-50.0daN | 216mm | 7,10,15,20, mm | 否 |
| NTW-60K-F | 0.6-60.0daN | 216mm | 7,10,15,20, mm | 否 |
| NTW-100K-F | 1.0-100.0daN | 216mm | 7,10,15,20, mm | 否 |
型号规则: 型号-订货编码
可选附件
订货编码 F 省力手柄,20KG到100KG 仪表省力手柄为标准配置。
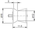
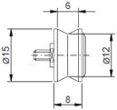
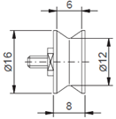
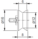
可选测量轮
标配导轮 材质:硬化铝 线速度:1000米/分钟 | 线束导轮 订货编码:UB 材质:硬化铝 线速度:1000米/分钟 | 陶瓷涂层导轮 订货编码:TC 材质:陶瓷涂层铝轮 线速度:1000米/分钟 | 不锈钢导轮 订货编码:ST 材质:不锈钢 线速度:1000米/分钟 |
|
|
|
|
例如选择0.1-10KG量程NTW系列仪表,需要省力手柄和20mm宽导辊,型号为NTW-10K-F-20
NTW 发货包括 张力仪 ,便携式仪表箱,充电器,中文说明书,合格证。
参数规格:
精度 ±2%满量程(FS)
显示更新频率 0.5秒
可选单位 gf, cN, N, kgf, daN,LB(不同量程可切换单位不同)
可调整范围 显示值可以按照现场要求以满量程1%的幅度进行±10步调整
线速度 1000m/min
可存储值 最小值,最小峰值,平均值
显示器 2.4寸全彩TFT显示屏
外壳尺寸 76×46×275mm
电源 锂离子充电电池,连续工作约10个小时
工作温度 10-45℃,90%相对湿度或更少
附件 仪表,说明书,合格证,充电器,仪表箱
应用范围 带子,金属箔等宽幅材料
NTW 发货包括 张力仪 ,便携式仪表箱,充电器,中文说明书,合格证。